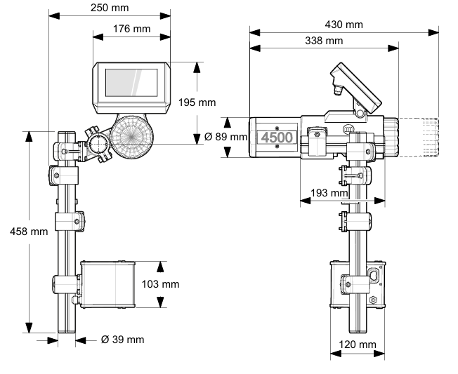
| MÃ SẢN PHẨM | Markem-Imaje 4500 |
|---|---|
| Khối lượng | 4.5kg không kể bình mực |
| Độ ẩm | 10 đến 90% không ngưng tụ |
| Nhiệt độ hoạt động | 5° C (41° F) đến 45° C (113° F) |
|---|---|
| Điện áp cung cấp | 1 pha 110/240V,50/60Hz,Nguồn DC 24V 1.5A |
| Tiêu chuẩn bảo vệ | IP54 |
Máy 4500 với công nghệ điều khiển van theo lệnh (DoD) và thiết kế độc đáo cho phép in chất lượng cao và dễ dàng tích hợp vào mọi dây chuyền sản xuất. 4500 với khả năng in ký tự lớn cung cấp công nghệ in theo yêu cầu cho thùng carton và bao bì. Máy in dễ cài đặt và vận hành, đồng thời sử dụng vật tư tiêu hao tiết kiệm chi phí.
IN CHỮ LỚN
CHẬM


• 2 loại mực màu gốc nước - đen và đỏ - dùng cho các bề mặt thấm.
• Bình mực 0.5 hay 1 lít, có cảnh báo mức mực. Mức mực còn được hiển thị trên màn hình giao tiếp
• Đầu in 7 dot, in 1 dòng 13mm hay 24mm
• Đầu in 16 dot, in 1 dòng 29mm hay 56mm hay in 2 dòng 13mm hay 24mm
• Độ rộng chữ điều chỉnh được
• Khoảng cách từ đầu in đến sản phẩm từ 2 đến 20mm

• Tốc độ in: Max 60m/min.
• Hệ thống mực được tự điều chỉnh không cần nguồn khí nén bên ngoài.
• Màn hình giao diện 5.7" cảm ứng hỗ trợ 32 ngôn ngữ.
• Xuất/nhập các bản tin và thông số cài đặt cho máy in qua cổng USB.
• Nút chức năng làm thông vòi phun giúp việc làm sạch thuận tiện hơn.
| MÃ SẢN PHẨM | Markem-Imaje 4500 |
|---|---|
| Khối lượng | 4.5kg không kể bình mực |
| Độ ẩm | 10 đến 90% không ngưng tụ |
| Nhiệt độ hoạt động | 5° C (41° F) đến 45° C (113° F) |
|---|---|
| Điện áp cung cấp | 1 pha 110/240V,50/60Hz,Nguồn DC 24V 1.5A |
| Tiêu chuẩn bảo vệ | IP54 |